Прямые поставки недоступных в РФ брендов из Китая и Европы. Заявки оставляйте на почту info@cnc360.ru  
0
0

Высокоточная рука с электроприводом HPMA

Для токарных и многоцелевых станков.
Проводная передача сигнала.
Датчик RP3.
Повторяемость 5,0 мкм, 8,0 мкм.

ООО «Эффективное производство» - официальный партнер компании RENISHAW в России

Высокоточная рука с электроприводом HPMA
0 4.5 5 37
Под заказ
(37)

Артикул A-2181-0420

Для токарных и многоцелевых станков.
Проводная передача сигнала.
Датчик RP3.
Повторяемость 5,0 мкм, 8,0 мкм.

ООО «Эффективное производство» - официальный партнер компании RENISHAW в России

Характеристики:
для наладки
Производитель: RENISHAW
рука для наладки
проводная

270 000 руб.

Рука HPMA — автоматизированный кронштейн с сервоприводом, предназначенный для точной наладки оснастки на токарных станках с ЧПУ, включая многоцелевые обрабатывающие центры. Система используется для измерения длины и радиуса инструмента, а также для обнаружения его неисправности.

Быстрое срабатывание привода обеспечивает выполнение наладки инструмента и проверку его состояния прямо в процессе обработки, без необходимости вмешательства оператора.Время вывода руки в рабочее положение и ее фиксации по команде управляющей программы составляет не более 2 секунд.

После завершения измерений рука автоматически возвращается в безопасное положение вне зоны обработки. Поворотный механизм надежно фиксирует ее, гарантирует стабильную повторяемость позиционирования без допрегулировок.

Система предназначена для двух- и трехкоординатных токарных станков с ЧПУ. Повышение производительности достигается за счет сокращения времени наладки инструмента — до 90% по сравнению с традиционными методами.

Компактная конструкция позволяет устанавливать систему в ограниченном пространстве рабочей зоны станка.

Преимущества руки с электроприводом HPMA

  • Высокое быстродействие сервопривода.
  • Полностью автоматическая наладка инструмента.
  • Обнаружение поломки инструмента.
  • Двухцветная светодиодная индикация состояния системы.
  • Сокращение времени переналадки до 90%.
  • Защита датчика ломким предохранителем щупа.
  • Поддержка щупов для инструментов диаметром 16, 20, 25, 32, 40 и 50 мм.

В системе используется контактный датчик RP3 с механическим срабатыванием. Возможна установка в держатели сторонних производителей. Резьба M4 позволяет использовать контактные щупы Renishaw. Подключение выполняется через OEM-комплект.

Совместимые интерфейсы: TSI 3, TSI 3-C.

Параметр

Значение

Основное назначение

Измерение размеров инструмента и контроль его поломки

Тип станков

Двух- и трехкоординатные токарные станки с ЧПУ

Способ передачи сигнала

Проводная передача

Датчик

RP3

Совместимые интерфейсы

TSI 3, TSI 3-C

Исполнение

С выходом кабеля «в станок» / с боковым выходом

Время вывода в рабочее положение

≤ 2 секунд

Направление измерений

±X, ±Y

Повторяемость позиционирования

5,00 мкм (2σ) — для станков с патронами 6–15"
 8,00 мкм (2σ) — для станков с патронами 18–24"

Диаметр патрона станка

6–15" / 18–24"

Усилие срабатывания (XY, малое)

1,50 Н (153 гс)

Усилие срабатывания (XY, большое)

3,50 Н (357 гс)

Усилие срабатывания (+Z)

12,00 Н (1224 гс)

Угол качания руки

90° / 91°

Класс защиты

IPX8 (EN/IEC 60529)

Монтаж

Болты M8, 3 шт.

Рабочая температура

от +5 до +60 °C

Резьба под щуп

M4

Поддерживаемые диаметры инструмента

16, 20, 25, 32, 40, 50 мм

Длина кабеля

2 м, 5 м, 10 м / 7 м

Тип кабеля

Ø 6,0 мм (5 жил) / Ø 4,35 мм (4 жилы)

Для заказов на сумму более 50 000 руб. доставка включена в стоимость. 

В других случаях рассчитывается исходя из веса отправления и региона доставки.

Возможна доставка любой удобной для заказчика ТК

Сроки доставки от 1 до 3 дней по Центральному региону

По умолчанию мы работаем с двумя курьерскими компаниями:

Major — российская компания, занимающаяся продажей автомобилей и перевозками грузов. Крупнейший, наряду с «Рольфом», автодилер страны.

DPDgroup — международная служба экспресс-доставки. В среднем ежедневно доставляет более 5 миллионов посылок. Работает под торговой марками DPD.

Это наши проверенные партнеры. Однако если вы предпочитаете работать с другой курьерской службой, у нас нет ограничений. Просто сообщите нам об этом. Мы согласуем все условия и отправим заказ с полным комплектом сопутствующей документации.

Как оплатить?

Оплата принимается по безналичному расчету. После согласования заказа мы выставляем счет на оплату. Заказ считается оплаченным после поступления суммы заказа на расчетный счет ООО «Эффективное производство».

Как получить?

География доставки — вся Россия. При перевозке грузы подлежат страхованию. Обычно доставка входит в стоимость продукции.

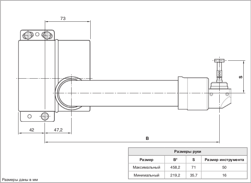
Размеры

Размер  Размер

Датчик RP3 для наладки инструмента

Датчик RP3 для наладки инструмента   Датчик RP3 для наладки инструмента

Приобретая продукцию у нас, вы можете быть уверены, что получаете оригинальное сертифицированное оборудование, комплектующие и оснастку.

На весь представленный ассортимент распространяется гарантия завода-изготовителя. Для каждого конкретного изделия производитель устанавливает определенный гарантийный срок. Обычно он составляет 12-36 месяцев.

Согласно п. 1 ст. 471 Гражданского кодекса РФ гарантийный срок на товар исчисляется с момента фактической передачи его покупателю.

При наступлении гарантийного случая и отсутствии следов некорректной эксплуатации, осуществляется замена неисправного оборудования в соответствии с Законом о защите прав потребителей.

Если утрата функциональности изделия связана с механическими повреждениями, попытками модификации или ремонта, нецелесообразным использованием, то компания ООО «Эффективное производство» не несет за это ответственности, а действие гарантийных обязательств прекращается.

Иногда мы сталкиваемся с ситуацией, когда подлинные запчасти работают некорректно, т.к. нарушена технология их установки. В таком случае наши инженеры удаленно помогают клиентам наладить эксплуатацию.

Вы ранее смотрели